欢迎光临深圳市晨航科技有限公司!
chxtal/长合晶工/深圳市晨航科技有限公司

Opening Time

Mon-Sat: 9.00-21.00

189 2286 2525

0755-8938 2532

专业晶体产销
客户5000+,远销全球

诚信经营
诚信经营,客户至上

质量可靠
以质取信,以信获利

保障交期
6*12小时,快速响应
Favorites 收藏本站
点击收藏本站 Favorites
微信咨询
微信二维码
扫一扫咨询
扫码咨询
回到顶部
回到顶部 icon

TXC-9HT7系例 32.768KHz 贴片晶振


跳过导航链接首页 > 品牌/大类 > 产品子类


查看人次

510

频点数量

1
Pb Free
Rohs Compliant
  • 频率范围:32.768 KHz
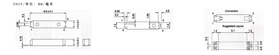
  • 产品尺寸:6.9×1.4×1.3(mm)
  • 谐波次数:Fundamental
  • 产品应用:?

外形及尺寸


{ 常用频点对照 / 选型 ↓ }

参数说明:CL=负载电容(pf) / FT=频率精度(ppm) / ESR=等效阻抗(Ω) / V=输入电压(V)

料号

(以规格书为准)

标称频率
产品参数
工作温度℃
1
9H03200413
32.768KHz
CL= 12.5 PF / FT= ±20 PPM / ESR= 65 Ω
-45~80
1条 | 共1页   首 页    上一页   第1页   下一页    末 页