网站主页
关于我们
石英晶振
柱晶 2×6
柱晶 3×8
小S 7×4
49 SS
49 S
49 SSMD
49 SMD
49 U
2016
柱晶 1×5 KHz
柱晶 2×6 KHz
柱晶 3×8 KHz
OSC 2520
OSC 3225
OSC 5032
OSC 7050
OSC 半尺寸
OSC 全尺寸
TCXO 3225
TCXO 5032
D11
F11
To39
3225
030
3838
5035
5050
ZTA MG
ZTA MT
ZTA MX
ZTT MG
ZTT MT
ZTT MX
ZTACC MG
ZTACR MG
ZTACS MT
合作品牌
服务支持
新闻资讯
联系我们
专
诚
质
保
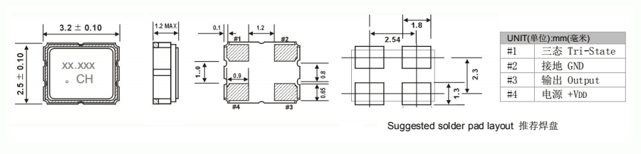
首页 > 品牌/大类 > 产品子类
查看人次
2562
频点数量
外形及尺寸
{ 常用频点对照 / 选型 ↓ }
参数说明:CL=负载电容(pf) / FT=频率精度(ppm) / ESR=等效阻抗(Ω) / V=输入电压(V)
料号
(以规格书为准)