欢迎光临深圳市晨航科技有限公司!
chxtal/长合晶工/深圳市晨航科技有限公司

Opening Time

Mon-Sat: 9.00-21.00

189 2286 2525

0755-8938 2532

专业晶体产销
客户5000+,远销全球

诚信经营
诚信经营,客户至上

质量可靠
以质取信,以信获利

保障交期
6*12小时,快速响应
Favorites 收藏本站
点击收藏本站 Favorites
微信咨询
微信二维码
扫一扫咨询
扫码咨询
回到顶部
回到顶部 icon

CH SAW 5035 系列 贴片声表谐振器5035


跳过导航链接首页 > 品牌/大类 > 产品子类


查看人次

2393

频点数量

2
Pb Free
Rohs Compliant
  • 频率范围:292~927 Mhz
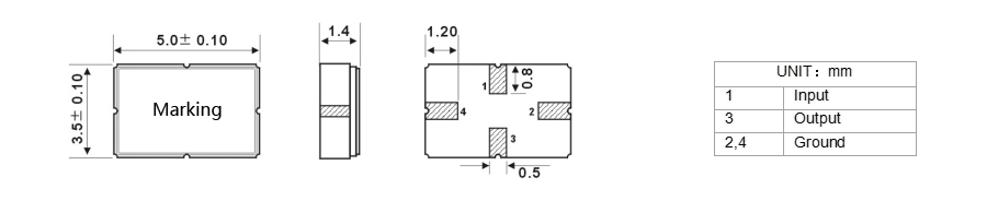
  • 产品尺寸:5.0×3.5×1.4(mm)
  • 谐波次数:.
  • 产品应用:电脑,通讯,及各类电子产品...

外形及尺寸


{ 常用频点对照 / 选型 ↓ }

参数说明:CL=负载电容(pf) / FT=频率精度(ppm) / ESR=等效阻抗(Ω) / V=输入电压(V)

料号

(以规格书为准)

标称频率
产品参数
工作温度℃
1
CH5035-R315M75K-NB
315.000MHz
FT=±75KHz
-40~85
2
CH5035-R433.92M75K-NB
433.920MHz
FT=±75KHz
-40~85
2条 | 共1页   首 页    上一页   第1页   下一页    末 页